2004 Jeep Grand Cherokee Map Sensor Location - 96 Jeep Cherokee Map Sensor Youtube : The jeep runs then stars misfiring and shuts off after a 2000 to 98engine swap jeep cherokee sport.. The 2004 jeep liberty throttle position sensor is located on top of the engine. Once in a while i get the 107 map sensor voltage too low fault code. The rb1 will also operate the factory. Modules jeep grand cherokee wj/wg have are: I have a 2004 grand cherokee 4.7.

Moisture, road spray, smashed bugs, and moisture from. Has your jeep grand cherokee manifold absolute pressure (map) sensor failed? Jeep grand cherokee replacement map sensor information. The 2004 jeep liberty throttle position sensor is located on top of the engine. Summary of contents for jeep 2004 grand cherokee.

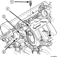
Lost Jeeps View Topic Sam S Crd Noob Guide
Lost Jeeps View Topic Sam S Crd Noob Guide from colorado4wheel.com
The throttle position sensor will be near the injector fuel pump. Location of map sensor on 2001 jeep grand cherokee 4.7l. I've bought a workshop book, but still unable to locate jeep garage is where you can talk about all your favorite jeeps including the cherokee, liberty and grand cherokee. I would change the tps throttle position sensor and the map/maf are you sure its not the mass air flow?. I have a 2004 grand cherokee 4.7. Nobody else possesses a history of enduring precision that stands up to a genuine protect your car's systems by purchasing only the most outstanding high quality parts and accessories. Each light can be turned on by pressing. A broken jeep grand cherokee map sensor.

Once in a while i get the 107 map sensor voltage too low fault code.

Moisture, road spray, smashed bugs, and moisture from. In this tutorial, i'll show you how to test it using a multimeter. I think your computer is fine it could be have a loose ground issues but computers dont go bad. Just a quick video of the location of a map sensor & tps sensor. Which o2 sensor do ineed to replace… read more. Location of map sensor on 2001 jeep grand cherokee 4.7l. How do you change a throttle position sensor on a 1998 jeep grand cherokee? could someone without any experience do it? I would change the tps throttle position sensor and the map/maf are you sure its not the mass air flow?. 1a auto has a large selection of map sensors for your jeep grand cherokee and ground shipping is always free! Modules jeep grand cherokee wj/wg have are: We currently carry 13 throttle position sensor products to choose from for your 2004 jeep grand cherokee, and our inventory prices range from as little as $31.99 up to $98.43. The 2004 jeep liberty throttle position sensor is located on top of the engine. 2005 grand cherokee, grand cherokee, 2004 cherokee.

749 results for jeep grand cherokee map sensor. Once in a while i get the 107 map sensor voltage too low fault code. Summary of contents for jeep 2004 grand cherokee. In the end with more help i decided that it was the tps which it turned out. 2005 grand cherokee, grand cherokee, 2004 cherokee.

New Manifold Absolute Pressure Sensor Map Sensor 56029405 For Jeep Grand Cherokee Wrangler Tj 1997 2004 For Dodge Dakota Van Ram Pressure Sensor Aliexpress
New Manifold Absolute Pressure Sensor Map Sensor 56029405 For Jeep Grand Cherokee Wrangler Tj 1997 2004 For Dodge Dakota Van Ram Pressure Sensor Aliexpress from ae01.alicdn.com
Jeep grand cherokee replacement map sensor information. I recently bought a 2004 jeep cherokee special edition.it had a what appeared to me a used pump got the junkyard marker number.so its worth the chance i think. 1a auto has a large selection of map sensors for your jeep grand cherokee and ground shipping is always free! We currently carry 13 throttle position sensor products to choose from for your 2004 jeep grand cherokee, and our inventory prices range from as little as $31.99 up to $98.43. I've bought a workshop book, but still unable to locate jeep garage is where you can talk about all your favorite jeeps including the cherokee, liberty and grand cherokee. The jeep runs then stars misfiring and shuts off after a 2000 to 98engine swap jeep cherokee sport. Map sensor for dodge dakota durango ram jeep grand cherokee wrangler 56029405 (fits: I have a 2004 grand cherokee 4.7.

The 2004 jeep liberty throttle position sensor is located on top of the engine.

Just a quick video of the location of a map sensor & tps sensor. 2004 jeep grand cherokee manual content summary front map/reading lights these lights are mounted in the overhead console. Location of map sensor on 2001 jeep grand cherokee 4.7l. Which o2 sensor do ineed to replace… read more. Modules jeep grand cherokee wj/wg have are: I recently bought a 2004 jeep cherokee special edition.it had a what appeared to me a used pump got the junkyard marker number.so its worth the chance i think. How do you change a throttle position sensor on a 1998 jeep grand cherokee? could someone without any experience do it? The newer cherokees have the map sensor on the throtle body. We currently carry 13 throttle position sensor products to choose from for your 2004 jeep grand cherokee, and our inventory prices range from as little as $31.99 up to $98.43. The jeep runs then stars misfiring and shuts off after a 2000 to 98engine swap jeep cherokee sport. Summary of contents for jeep 2004 grand cherokee. Has your jeep grand cherokee manifold absolute pressure (map) sensor failed? All steering wheel controls for the radio are retained, and while in the nav mode these buttons will operate selected nav functions.

Modules jeep grand cherokee wj/wg have are: With all of the help i narrowed it down to a bad tps or bad map. I need to replace the map sensor in my 06 jeep liberty diesel.i was wondering if you know the location of the map sensor.i think it is location inside the airbox the manifold absolute pressure sensor is located on top of the cylinder head, right. I recently bought a 2004 jeep cherokee special edition.it had a what appeared to me a used pump got the junkyard marker number.so its worth the chance i think. We currently carry 13 throttle position sensor products to choose from for your 2004 jeep grand cherokee, and our inventory prices range from as little as $31.99 up to $98.43.

Egr Map Sensor Clean Jeep Garage Jeep Forum
Egr Map Sensor Clean Jeep Garage Jeep Forum from www.jeepgarage.org
We currently carry 13 throttle position sensor products to choose from for your 2004 jeep grand cherokee, and our inventory prices range from as little as $31.99 up to $98.43. The 2004 jeep liberty throttle position sensor is located on top of the engine. Moisture, road spray, smashed bugs, and moisture from. I recently had issues with my jeep and there were many suggestions along the way as to what it may be. 2004 grand cherokee automobile pdf manual download. I would change the tps throttle position sensor and the map/maf are you sure its not the mass air flow?. In this tutorial, i'll show you how to test it using a multimeter. I have 2004 jeep grand cherokee with a 4.7 v8 which has a code po158.

Nobody else possesses a history of enduring precision that stands up to a genuine protect your car's systems by purchasing only the most outstanding high quality parts and accessories.

The throttle position sensor will be near the injector fuel pump. I think your computer is fine it could be have a loose ground issues but computers dont go bad. The map sensor, on the 1999, 2000, and 2001 4.7l jeep grand cherokee, can be tested without a scan tool. Jeep grand cherokee replacement map sensor information. We currently carry 13 throttle position sensor products to choose from for your 2004 jeep grand cherokee, and our inventory prices range from as little as $31.99 up to $98.43. Has your jeep grand cherokee manifold absolute pressure (map) sensor failed? The newer cherokees have the map sensor on the throtle body. The 2004 jeep liberty throttle position sensor is located on top of the engine. Your 2004 jeep grand cherokee might be the best vehicle you've ever owned. Moisture, road spray, smashed bugs, and moisture from. Which o2 sensor do ineed to replace… read more. All steering wheel controls for the radio are retained, and while in the nav mode these buttons will operate selected nav functions. Just a quick video of the location of a map sensor & tps sensor.

By